
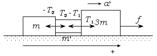
前の説明で運動方程式をたてたとき、糸に付いては他の物体と全く違う扱いをしました。 しかし、よく考えてみると糸も物体の1つと考えられます。 物体ごとに物体の数だけ運動方程式をたてる必要があるなら糸も含めて物体は3つあるので、3つの運動方程式をたてる必要があるのではないでしょうか?
また、糸の張力は両端で等しいとおいたのは、当たり前なのでしょうか?
今回は、これらについて調べるために、糸の質量を
’とおいて、糸を物体として扱ったらどうなるか考えてみましょう。
上の図で、右のラジオボタンを切り替えると、それぞれの3つの物体にはたらく力がどれか赤で表示されます。 これを参考にして、前と同じように右を正、加速度を
'として、3つの物体に関する運動方程式をたてて見てください。
| これはWWW利用の実験のため神川 定久 が作成したものです。 |
Copyright(c) 1998 S.Kamikawa last update 1998.1.24